产品展示 | 联系我们 浦宏环保公司主营项目:污水处理设备、中水回用设备、废水零排放设备、纯水设备、物料分离过滤设备!
20年专注水处理设备技术研发 专注技术 专心质量 专业服务
全国咨询热线:159-2117-8145
您的位置: 首页>产品展示>海水淡化设备

联系我们contact us

香港免费公开资料大全
地址:江苏省苏州市昆山市淀山湖双马路168号6号楼
联系人:朱经理
电话:159-2117-8145
手机:15921178145

海水淡化设备

货轮用海水淡化装置_远洋货船海水淡化设备厂家供应商

远洋货轮用海水淡化装置厂家供应,大型货轮用的海水淡化设备10吨/20吨/30吨/50吨/80吨/100吨等,可根据具体需求定制化生产,苏州浦宏环保专业生产各种海水淡化装置,货轮货船、海洋平台、岛屿酒店、陆用等海水淡化设备定制加工,欢迎咨询选购。1.海水淡化装置工作原理反渗透海水淡化设备是利用反渗透原理进行海水淡化的,反

在线咨询全国热线
159-2117-8145
产品描述

远洋货轮用海水淡化装置厂家供应,大型货轮用的海水淡化设备10吨/20吨/30吨/50吨/80吨/100吨等,可根据具体需求定制化生产,苏州浦宏环保专业生产各种海水淡化装置,货轮货船、海洋平台、岛屿酒店、陆用等海水淡化设备定制加工,欢迎咨询选购。

远洋货船海水淡化设备厂家供应商

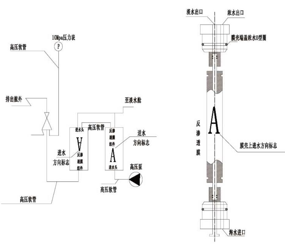
1.海水淡化装置工作原理

反渗透海水淡化设备是利用反渗透原理进行海水淡化的,反渗透膜是关键性的元件。在高压驱动下,海水通过反渗透膜进入低压侧(淡水),海水中除水分子之外其他成分被阻挡在反渗透膜浓水侧,并随着浓盐水一起排出,实现水与盐的分离目的。

hs0001-4.jpg

2.海水淡化装置系统介绍

船舶在海洋中航行(特别是远洋航线舰船),淡水是不可或缺的宝贵资源,一旦缺淡水,将严重威胁船舶和船员的生命安全。船舶在海上航行,海水是触手可及的资源,通过海水淡化取得淡水无意是一个有效便捷的途径。船舶自带一套海水淡化设备,全船所需淡水只需要很小的舱容就能制备出来。


3.海水淡化装置系统特性

目前船舶使用的海水淡化方法主要是蒸馏法和反渗透两种。蒸馏法特点是人不能长期喝,对人体损伤大。并且蒸馏法海水淡化设备造价和运行成本高。反渗透海水淡化设备随着膜科技的进步,设备造价和运行成本大幅降低,在船上应用前景十分广泛。

hs0001-6.jpg


浦宏环保货轮用海水淡化装置设备核心技术

一、核心膜技术低能耗使用寿命长

采用核心膜技术,降低能耗,甄选设备材料配件,确保系统使用寿命长与维护成本低。

二、海水淡化水质稳定安全放心饮

能水质检测控制和系统维护方案确保出水水质长期稳定,水质通过国家检测认证,省时省心更安心。

三、应用新智能化控制强力保护核心

按工艺参数设置高低压保护开关,能自动切换、自动联锁报警、停机,以保护高压泵和反渗透膜元件。

四、模块化安装模式工程便利便捷

在空间运用与技术合理利用上,基于模块化的设计理念,使空间配置更合理,施工更方便快捷,同时满足不同需求。

货轮用海水淡化装置

苏州浦宏环保公司货轮用海水淡化装置设备,在设计时充分考虑广大用户的需求进行设计生产,根据船舶/游艇应用的特殊性而进行了专门的设计,海水淡化机体积小、重量轻、占地省,安装 方便、适应性强,寿命长,设备操作简单,维修方便,耗材低,安全可靠,设计新颖,避免了频繁的清洗。海水淡化水质符合国家生活饮用水水质标准 (GB5749-2006),出水可直接饮用。随着公司研发团队不断进行技术攻关,以目前国内外设备的优缺点,不断开发出具有维修率更低、使用更加便捷、占地面积更小、更加节能的新一代海水淡化设备。经过长时间的设计与实践,把可靠的工艺、先进的技术融为一体,使我们的设备脱颖而出!从这里开始,您将体验不一样的使用感受!本公司商品是可定制商品,可咨询客服或致电我司销售经理。

RO反渗透膜过滤原理


hd-5-2.jpg


小知识:我国有多少个港口?

答:我沿海港口共87个

上海港 大连港 防城港 福州港 广州港 海口港 连云港港 南京港 南通港 宁波港 秦皇岛港 青岛港 日照港 汕头港 深圳港 苏州港 天津港 温州港 厦门港 烟台港 营口港 湛江港 镇江港 舟山港  台州港 珠海港 台湾高雄港 香港港 宁德港 湄洲湾(莆田)港 泉州港 漳州港 钦州港 潮州港 海安港 惠州港 汕尾港 虎门港 茂名港 阳江港 霞海港 防城港 北海港 洋浦港 八所港 三亚港 唐山港 沧州港 扬州港 镇江港 南通港 常州港 苏州港 锦州港 葫芦岛港 营口港 丹东港 龙口港 烟台港 威海港 石岛新港 潍坊港 大连港 澳门港 台湾基隆港 京唐港 张家港 黄骅港 盐城港 台湾基隆港 台湾台中港 台湾苏澳港 台湾花莲港 台湾安平港 台湾布袋港 岚山港 大丰港 福清湾松下港 肖厝港 秀屿港 蛇口港 盐田港 赤湾港 妈湾港 虎门港 龙眼港 高雄港 

货轮用海水淡化装置、船用海水淡化设备——苏州浦宏环保 为您量身定制!


在线客服
联系方式

热线电话

159-2117-8145

上班时间

周一到周五

手机号码

15921178145

二维码
线