产品展示 | 联系我们 浦宏环保公司主营项目:污水处理设备、中水回用设备、废水零排放设备、纯水设备、物料分离过滤设备!
20年专注水处理设备技术研发 专注技术 专心质量 专业服务
全国咨询热线:159-2117-8145
您的位置: 首页>产品展示>低温蒸发设备

联系我们contact us

香港免费公开资料大全
地址:江苏省苏州市昆山市淀山湖双马路168号6号楼
联系人:朱经理
电话:159-2117-8145
手机:15921178145

低温蒸发设备

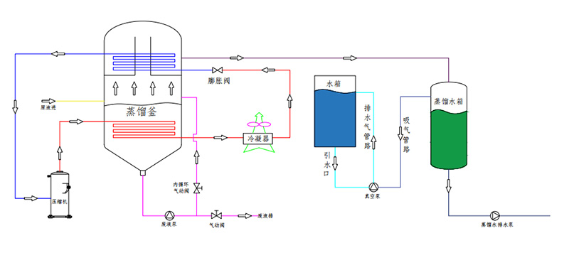
5吨大型低温蒸发设备_5吨/天低温蒸发系统设备厂家批发多少钱

5吨/天低温蒸发系统设备厂家批发多少钱,5吨大型低温蒸发设备由苏州浦宏环保公司厂家供应,专业的水处理设备供应商!低温蒸发设备特点:-只需要电能,靠空调压缩机提供热源和热量,无需外围热源和冷却水.-节能,每处一吨废液,只需要120-150度电.-出水水质好,蒸发温度28-35度,出水水质是所有蒸发器中最好的,方便后处理,直排或回

在线咨询全国热线
159-2117-8145
产品描述

5吨/天低温蒸发系统设备厂家批发多少钱,5吨大型低温蒸发设备由苏州浦宏环保公司厂家供应,专业的水处理设备供应商!

低温蒸发设备特点:

-只需要电能,靠空调压缩机提供热源和热量,无需外围热源和冷却水.

-节能,每处一吨废液,只需要120-150度电.

-出水水质好,蒸发温度28-35度,出水水质是所有蒸发器中最好的,方便后处理,直排或回用. 

-设备占地小,流程短,是目前针对小量危废液最有效的处理办法.

-系统可全自动运行,人机界面进行监控,带自动清洗及消泡功能.

低温蒸发设备前处理说明:

1.含油类液体(浮油点总量5%以上)要装油水分离机,去除浮油,后处理加膜,去除里面的油花,可获得质量更高的蒸馏水水质。

2.含有机物或粘性液体需絮凝后蒸发,可以减少维护成本!

3.含盐类,低浓度液体可以直接蒸发,高盐类(含固30%)以上,建议用我公司刮板蒸发器,可直接结晶。

低温蒸发设备浓缩比介绍:

每种废液的浓缩比不同的,我们通常做法是将100ML的原液称重后,放入旋转蒸发器,蒸至无水份,再称重;减少部分为含为率,浓缩设备通常能蒸发含水率的90%,具体视液体而定!

tds-3000-4.jpg

在线客服
联系方式

热线电话

159-2117-8145

上班时间

周一到周五

手机号码

15921178145

二维码
线