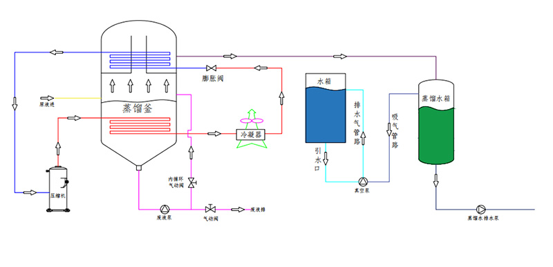
低温蒸发设备-3吨一天低温蒸发器设备由苏州浦宏环保供应,专业的水处理设备供应商!低温蒸发设备是工业废水零排放必备设备,欢迎咨询。

低温蒸发设备特点:
-只需要电能,靠空调压缩机提供热源和热量,无需外围热源和冷却水.
-节能,每处一吨废液,只需要120-150度电.
-出水水质好,蒸发温度28-35度,出水水质是所有蒸发器中最好的,方便后处理,直排或回用.
-设备占地小,流程短,是目前针对小量危废液最有效的处理办法.
-系统可全自动运行,人机界面进行监控,带自动清洗及消泡功能.

低温蒸发设备前处理说明:
1.含油类液体(浮油点总量5%以上)要装油水分离机,去除浮油,后处理加膜,去除里面的油花,可获得质量更高的蒸馏水水质。
2.含有机物或粘性液体需絮凝后蒸发,可以减少维护成本!
3.含盐类,低浓度液体可以直接蒸发,高盐类(含固30%)以上,建议用我公司刮板蒸发器,可直接结晶。

低温蒸发设备浓缩比介绍:
每种废液的浓缩比不同的,我们通常做法是将100ML的原液称重后,放入旋转蒸发器,蒸至无水份,再称重;减少部分为含为率,浓缩设备通常能蒸发含水率的90%,具体视液体而定!



客服1